Not macht erfinderisch, und so haben wir die Zeit des Wartens auf Ersatzteile mitunter auch dazu benutzt, um nach DEM Isolator für unseren Ultimaker 2 zu suchen. Die Erstauslieferung erfolgte mit einem Isolator aus Teflon, der hielt bekannterweise nicht sehr lange, bevor er durch die zu geringe Temperaturbeständigkeit angesengt wurde. Das war im Juli.
Bevor wir von Ramun Berger vom FabLab Bern, und danach direkt von Ultimaker einen neuen mit Glas versetzten Teflon Isolator erhalten haben, machten wir uns auf die Suche nach einem Material, welches im Dauerbetrieb höhere Temperaturen aushalten kann, und als Isolator zum Einsatz kommt. Das war im August.
Im Internet haben wir dadurch das Material MACOR gefunden, eine Art Glaskeramik, welches im Dauerbetrieb bis zu 800°C widerstehen soll.
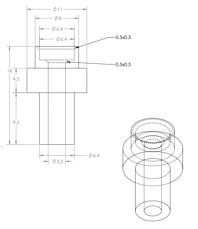
Die Firma Fiberoptic aus Spreitenbach hat uns und dem FabLab Bern nach der verfügbaren Zeichnung des PTFE Isolator Coupler 3.2 mm aus Macor ein solches Teil hergestellt.
Die Zeichnung enthält zwei Masse nicht, welche wir selber nachmessen mussten, und es ist zudem keine Toleranz angegeben, bzw. ist diese bei einem anderen Material nicht zwingend gleich. So durfte uns Fiberoptic den Aussendurchmesser am Isolator nochmal versuchsweise um 0.04 mm runter drehen, damit das Teil überhaupt in den oberen Teil der Düse passte.
Von VeloPlus haben wir uns Kupferfett bestellt, damit wir die Kontaktfläche von Düse und Druckkopf wieder neu schmieren können. Dann ging es los mit der Montage.
Von Herrn Müller bei Fiberoptic und Herrn Walter von TEC-AW wurden wir darauf hingewiesen, dass wohl die Gleitfähigkeit bei dem Bauteil eine entscheidende Rolle spielt. So hat uns Fiberoptic das Bauteil innen poliert, um eine noch bessere Gleitfähigkeit zu erreichen. Dass diese Gleitfähigkeit leider nicht so hoch ist wie bei Teflon, mussten wir diese Woche beim Testen erfahren. Der Widerstand beim Druck ist zu hoch, und es liessen sich in unserem Test nicht alle Materialien drucken, welche mit dem alten Isolator druckbar waren.
Was wir auch erfahren mussten, dass Macor doch ziemlich brüchig ist. Der obere Teil unseres Isolators ist, beim Versuch ihn wieder aus der Düse zu entfernen, leider zerbrochen. Nun werden wir mit Herrn Müller von Fiberoptic Kontakt aufnehmen, um das weitere Vorgehen zu besprechen. Vielleicht liegt es am Innendurchmesser?, und vielleicht gibt es ein noch besser geeignetes Material als Macor?
Vorsorglich haben wir gestern bei Ultimaker ein Multipack der inzwischen im Shop verfügbaren Isolatoren bestellt.



Kommentare